|
|
|
|
|
제품 상세 정보:
결제 및 배송 조건:
|
| 상품 이름: | 플랜지된 문짝 밸브 | 사이즈: | 1/2 ~2 |
|---|---|---|---|
| 타입: | os& ;줄기를 상승시킨 Y | 매체: | 물 오일 가스 |
| 본체 소재: | 탄소강 | 색: | 고객의 요구 |
| 연결: | 플렌지 말단 | 압력: | 고압 |
| 하이 라이트: | a105 단조강 플랜지된 문짝 밸브,오일 단조강 플랜지된 문짝 밸브,dn150 문짝 밸브는 플랜지처리되었습니다 |
||
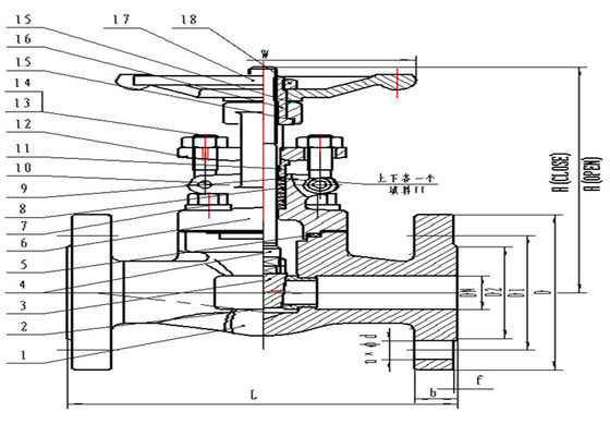
단조강 문짝 밸브는 그것의가 베어링 밸브 본체를 압박하는 문짝 밸브를 언급하고 보닛이 만들어집니다. 개시의 운동 방향과 단조강 문짝 밸브의 닫힘 부분은 유체 방향과 직각입니다. 단조강 문짝 밸브는 단지 완전히 열리고 마무리되고, 조정되거나 질식할 수 없습니다 ; 이 일련의 밸브는 중지하거나 송유관을 연결시키고 시스템의 정상 작동을 유지하기 위해 주로 석유, 화학 산업, 동력화차와 다른 산업에서 사용됩니다.
밸브 폐쇄 : 오른쪽으로 돌아 손조작-핸들 또는 다른 구동 장치를 회전시키고 밸브 로드 너트는 밸브를 마무리하도록 하향인 밸브 로드를 운전합니다.
밸브 개방 : 시계 반대 방향으로 손조작-핸들 또는 다른 구동 장치를 회전시키고 밸브 로드 너트는 밸브를 열기 위해 위로 향하여 밸브 로드를 운전합니다.
1. 공기변 밀페 봉인은 포장 + 상부 실의 두배 밀폐 설계를 통해 실현됩니다.
2 밸브 로드와 램은 T 구조에서 연결되며, 그것이 설치하기 쉽습니다. 밸브가 마무리될 때, 밸브 로드와 램은 셀프 센터링 기능으로, 점접촉에 있도록, 게다가 밸브 로드의 책임자는 둥글도록 설계됩니다.
3 밸브 본체는 램 스트로크 유도를 실현하기 위해 슬롯 구조를 채택하고 램과 밸브 자리 밀봉 링 사이의 마찰이 개시와 마감 과정 동안 감소됩니다.
4 밸브 본체와 보닛은 장부와 요홈 표면으로 연결될 것이며, 그것이 예하중 하에 중금속 나선창 가스킷의 확대와 과압 변형을 감소시킬 수 있습니다.
5 밸브 자리는 소형이고 효과적 적합성을 보증하기 위해 팽창 구조를 채택합니다.
6 움직일 수 있는 공동은 볼트, 핵심과 핀에 의해 연결됩니다. 그것은 편리 설치, 단순 구조, 강한 안정성과 긴 서비스 라이프라는 유리한 입장에 있습니다.
| 아니오. | 이름 | 재료 | ||||||||
| 1 | 신체 | A105N | A350 LF2 | A182 F11 | A182 F22 | A182 F304 | A182 F316 | A182 F304L | A182 F316L | |
| 2 | 자리 | 2Cr13/STL | A182 F304/STL | A182 F316/STL | A182 F304L/STL | A182 F316L/STL | ||||
| 3 | 디스크 | 2Cr13/STL | A182 F304/STL | A182 F316/STL | A182 F304L/STL | A182 F316L/STL | ||||
| 4 | 줄기 | 1Cr13 | A276 304 | A276 316 | A276 304L | A276 316L | ||||
| 5 | 가스킷 | 201+Flexible graphite/304+Flexible 그라파이트 | ||||||||
| 6 | 보닛 | A105N | A350 LF2 | A182 F11 | A182 F22 | A182 F304 | A182 F316 | A182 F304L | A182 F316L | |
| 7 | 볼트 | A193 B7 | A193 B7 | A193 B16 | A193 B16 | A193 B8 | A193 B8M | A193 B8M | A193 B8M | |
| 8 | 포장 | 유연성 흑연 | ||||||||
| 9 | 포장 | 강선 포장 (304+Flexible 그라파이트) | ||||||||
| 10 | 핀 | 45 | ||||||||
| 11 | 패킹 글랜드 | 2Cr13 | 2Cr13 | 2Cr13 | 2Cr13 | A276 304 | A276 316 | A276 304L | A276 316L | |
| 12 | 압축 플레이트를 싸기 | A105N | A350 LF2 | A182 F11 | A182 F22 | A182 F304 | A182 F316 | A182 F304L | A182 F316L | |
| 13 | 핵심 | A194 2H | A194 2H | A194 2H | A194 2H | A194 8M | A194 8M | A194 8M | A194 8M | |
| 14 | 볼트 | A193 B7 | A193 B7 | A193 B7 | A193 B7 | A193 B8 | A193 B8M | A193 B8M | A193 B8M | |
| 15 | 쐐기 | 65Mn | ||||||||
| 16 | 줄기 핵심 | 35/1Cr13 | ||||||||
| 17 | 수동핸들 | 가단 주철 | ||||||||
| 18 | 고정 나사 | A194 2H | A194 8M | |||||||
| 본체 소재 | A105N | A350 LF2 | A182 F11/F22 | A182 F304/F316 | A182 F304L | A182 F316L |
| 적당한 tempresture(C) | -29~425 | -46~345 | -29~538 | -29~538 | -29~425 | -29~450 |
| 매체 | 물, 증기, 기름, 등 | 저온, 물, 증기, 석유 제품, 천연가스, 등 | 물, 증기, 석유 제품, 천연가스, 등 | 물, 증기, 석유 제품, 천연가스, 등 | ||
기록 : 매체가 가연성이고 폭발적일 때, 파이프라인 시스템의 작동 온도는 제한되어야 합니다.
| 안출된 강철 플랜지 문짝 밸브의 DN15 ~DN50,PN16 주요 접속 차원과 범위 치수 | ||||||||||
| DN | L | D | D1 | D2 | 비 | F | n-φd | H(CLOSE) | H(OPEN) | W |
| 15 | 130 | 95 | 65 | 45 | 16 | 2 | 4-14 | 142 | 158 | 100 |
| 20 | 150 | 105 | 75 | 58 | 18 | 2 | 4-14 | 144 | 159.5 | 100 |
| 25 | 160 | 115 | 85 | 68 | 18 | 2 | 4-14 | 170 | 191 | 120 |
| 32 | 180 | 140 | 100 | 78 | 18 | 2 | 4-18 | 199 | 255.5 | 160 |
| 40 | 200 | 150 | 110 | 88 | 18 | 2 | 4-18 | 214 | 248 | 160 |
| 50 | 250 | 165 | 125 | 102 | 18 | 2 | 4-18 | 244.5 | 286.5 | 180 |
| 안출된 강철 플랜지 문짝 밸브의 DN15 ~DN50,PN25 주요 접속 차원과 범위 치수 | ||||||||||
| NPS | L | D | D1 | D2 | 비 | F | n-φd | H(CLOSE) | H(OPEN) | W |
| 1/2 | 130 | 95 | 65 | 45 | 16 | 2 | 4-14 | 142 | 158 | 100 |
| 3/4 | 150 | 105 | 75 | 58 | 18 | 2 | 4-14 | 144 | 159.5 | 100 |
| 1 | 160 | 115 | 85 | 68 | 18 | 2 | 4-14 | 170 | 191 | 120 |
| 1-1/4 | 180 | 140 | 100 | 78 | 18 | 2 | 4-18 | 199 | 255.5 | 160 |
| 1-1/2 | 200 | 150 | 110 | 88 | 18 | 2 | 4-18 | 214 | 248 | 160 |
| 2 | 250 | 165 | 125 | 102 | 20 | 2 | 4-18 | 244.5 | 286.5 | 180 |
| 안출된 강철 플랜지 문짝 밸브의 DN15 ~DN50,PN40 주요 접속 차원과 범위 치수 | ||||||||||||
| NPS | L | D | D1 | D2 | D3 | 비 | F | f1 | n-φd | H(CLOSE) | H(OPEN) | W |
| 1/2 | 130 | 95 | 65 | 45 | 40 | 16 | 2 | 4 | 4-14 | 142 | 158 | 100 |
| 3/4 | 150 | 105 | 75 | 58 | 51 | 18 | 2 | 4 | 4-14 | 144 | 159.5 | 100 |
| 1 | 160 | 115 | 85 | 68 | 58 | 18 | 2 | 4 | 4-14 | 170 | 191 | 120 |
| 1-1/4 | 180 | 140 | 100 | 78 | 66 | 18 | 2 | 4 | 4-18 | 199 | 255.5 | 160 |
| 1-1/2 | 200 | 150 | 110 | 88 | 76 | 18 | 3 | 4 | 4-18 | 214 | 248 | 160 |
| 2 | 250 | 165 | 125 | 102 | 88 | 20 | 3 | 4 | 4-18 | 244.5 | 286.5 | 180 |
| 안출된 강철 플랜지 문짝 밸브의 DN15 ~DN50,PN63 주요 접속 차원과 범위 치수 | ||||||||||||
| NPS | L | D | D1 | D2 | D3 | 비 | F | f1 | n-φd | H(CLOSE) | H(OPEN) | W |
| 1/2 | 170 | 105 | 75 | 45 | 40 | 20 | 2 | 4 | 4-14 | 142 | 158 | 100 |
| 3/4 | 190 | 130 | 90 | 58 | 51 | 22 | 2 | 4 | 4-18 | 144 | 159.5 | 100 |
| 1 | 210 | 140 | 100 | 68 | 58 | 24 | 2 | 4 | 4-18 | 170 | 191 | 120 |
| 1-1/4 | 230 | 155 | 110 | 78 | 66 | 26 | 2 | 4 | 4-22 | 199 | 255.5 | 160 |
| 1-1/2 | 240 | 170 | 125 | 88 | 76 | 28 | 3 | 4 | 4-22 | 214 | 248 | 160 |
| 2 | 250 | 180 | 135 | 102 | 88 | 26 | 3 | 4 | 4-22 | 244.5 | 286.5 | 180 |
| 안출된 강철 플랜지 문짝 밸브의 DN15 ~DN50,PN100 주요 접속 차원과 범위 치수 | ||||||||||||
| NPS | L | D | D1 | D2 | D3 | 비 | F | f1 | n-φd | H(CLOSE) | H(OPEN) | W |
| 1/2 | 170 | 105 | 75 | 45 | 40 | 20 | 2 | 4 | 4-14 | 142 | 158 | 100 |
| 3/4 | 190 | 130 | 90 | 58 | 51 | 22 | 2 | 4 | 4-18 | 144 | 159.5 | 100 |
| 1 | 210 | 140 | 100 | 68 | 58 | 24 | 2 | 4 | 4-18 | 170 | 191 | 120 |
| 1-1/4 | 230 | 155 | 110 | 78 | 66 | 26 | 2 | 4 | 4-22 | 199 | 255.5 | 160 |
| 1-1/2 | 240 | 170 | 125 | 88 | 76 | 28 | 3 | 4 | 4-22 | 214 | 248 | 160 |
| 2 | 250 | 195 | 145 | 102 | 88 | 30 | 3 | 4 | 4-26 | 244.5 | 286.5 | 180 |
![]()
![]()
담당자: Ms. Ada Chen